深圳蜜桃APP污直线蜜桃视频在线观看视频丝杆模组

上银蜜桃视频在线观看视频找蜜桃APP污 选型和服务棒棒哒上银蜜桃视频在线观看视频丝杆华南仓储中心蜜桃APP污仓HIWIN Linear Guideway

上银蜜桃视频在线观看视频选型报价电话137511362460755-21631136

蜜桃APP污-只做原装正品,绝不以次充好
  • 上银微型直线蜜桃视频在线观看视频MGN9C安装孔距是多少?
上银微型直线蜜桃视频在线观看视频MGN9C安装孔距是多少?
直线蜜桃视频在线观看视频都是靠螺丝固定在床台或者支撑架上,不同品牌的同一规格蜜桃视频在线观看视频,它的安装孔距都是同一个标准,比如,上银微型直线蜜桃视频在线观看视频MGN9C安装孔距是多少?蜜桃APP污手头上有选型资料的话,很快就可以查询到。如果没有呢,欢迎咨询:13751136246.
全国热线

0755-21631136

产品简介 / Introduction


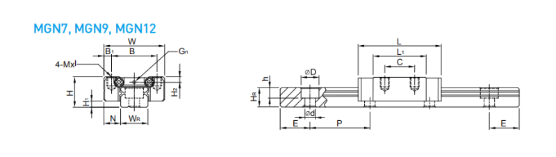
直线蜜桃视频在线观看视频都是靠螺丝固定在床台或者支撑架上,不同品牌的同一规格蜜桃视频在线观看视频,它的安装孔距都是同一个标准,比如,上银微型直线蜜桃视频在线观看视频MGN9C安装孔距是多少?蜜桃APP污手头上有选型资料的话,很快就可以查询到。如果没有呢,看下图。

 上银微型直线蜜桃视频在线观看视频MGN9C安装孔距是多少?

上银微型直线蜜桃视频在线观看视频MGN9C安装孔距是多少?

从以上表格以及图档,蜜桃APP污可以看到,上银微型直线蜜桃视频在线观看视频MGN9C安装孔距P20。蜜桃APP污在设计的时候,就需要按照此标准来设计蜜桃APP污的结构件,以免因为螺丝孔位置不对,影响安装。

如今上银蜜桃视频在线观看视频运用的十分普遍,如同之前滚动轴承里那句俗话说得好的:要是这一地球转动,就会采用滚动轴承。如今还可以运用来到上银蜜桃视频在线观看视频上边了。蜜桃APP污知道了孔距,另外一个就是要确定蜜桃视频在线观看视频的端距。那麼,上银微型蜜桃视频在线观看视频的端距到底怎么计算呢,大家来举一个事例:一般来说,客户沒有特别要求,大家就会依照端距均分来。即:最外缘孔的中心距到蜜桃视频APP下载最端部的间距。这儿要留意的是上银蜜桃视频在线观看视频孔的中心距。不必量到别的位置。例如15的上银蜜桃视频在线观看视频,孔距一般是60.倘若客户要的上银蜜桃视频在线观看视频长短是510,那麼端距均分,那么就有二种留法。一种是15--15,此外一种是10--20.这就需要依照客户的规定来。自然上银蜜桃视频在线观看视频的孔距的优化算法也要依据不一样长短的规格来明确的,哪个就需要那时候和客户沟通交流的难题了。要是大家把握这一方式,大家就会算出一切上银蜜桃视频在线观看视频的孔距的

回到前面所说的,上银微型直线蜜桃视频在线观看视频MGN9C安装孔距,与端距的确定有关系。如您想了解更多有关上银蜜桃视频在线观看视频孔距的详情,欢迎咨询蜜桃APP污。11年专注上银微型蜜桃视频在线观看视频的代理商,肯定会给您提供更多资讯,更多解答。

热品推荐 / Hot product

上银微型蜜桃视频在线观看视频MGW12H

HIWIN上银微型蜜桃视频在线观看视频MGW12H

上银微型蜜桃视频在线观看视频型号规格MGW12H,是微型蜜桃视频在线观看视频MG系列的加宽蜜桃视频APP下载的型号,大幅提升力矩负荷能力,可单轴使用;采用哥德型四点接触设计,可承受各方向负荷,具备刚性强,精度高等特性。上银微型蜜桃视频在线观看视频型号规格MGW12H尺寸参考资料
上银微型蜜桃视频在线观看视频MGN9C

HIWIN上银微型直线蜜桃视频在线观看视频MGN9C

HIWIN上银微型直线蜜桃视频在线观看视频MGN9C,是上银微型蜜桃视频在线观看视频MG系列之一,可以选用防尘片。特点是体积小、轻量化,特别适合小型化设备使用。滑块与蜜桃视频在线观看视频材质有合金钢蜜桃视频在线观看视频滑块以及不锈钢蜜桃视频在线观看视频滑块之分,详细的型号规格以及具体库存、价格,请您与蜜桃APP污蜜桃APP污机电联系。
上银微型蜜桃视频在线观看视频规格尺寸MGN7C

上银微型蜜桃视频在线观看视频型号规格-MGN7C

上银微型蜜桃视频在线观看视频MGN系列,体积小,轻量化,滑块主体的一部分采用了树脂材料,重量减少约20%;采用哥德型四点接触设计,可承受各方向负荷,具备刚性强,精度高等特性;有钢珠保持器设计,在精度允许下具备互换性;
上银微型蜜桃视频在线观看视频MGN5C-O

上银微型蜜桃视频在线观看视频MGN5C-O

温馨提示:上银微型蜜桃视频在线观看视频MGN5C价格涨浮变化大,商品标价仅供参考,并非实际售价,请您与蜜桃APP污联系咨询商品当前实际售价以及货期,以免耽误您的使用

咨询热线

0755-21631136

热门标签

蜜桃APP污传动, 线性蜜桃视频在线观看视频, 直线蜜桃视频在线观看视频, 微型蜜桃视频在线观看视频, 蜜桃视频在线观看视频, 上银蜜桃视频在线观看视频, 线性蜜桃视频APP下载, 直线蜜桃视频在线观看视频规格, 直线蜜桃视频在线观看视频型号, 蜜桃视频在线观看视频精度, 深圳蜜桃视频在线观看视频代理商, 直线蜜桃视频在线观看视频预压, 直线蜜桃视频在线观看视频电子样本, 直线蜜桃视频在线观看视频代理商, 广州上银直线蜜桃视频在线观看视频代理, 上银, 线性蜜桃视频APP下载, 线性蜜桃视频APP下载型号, 蜜桃视频在线观看视频规格, 东莞上银蜜桃视频在线观看视频总代理商, 直线蜜桃视频在线观看视频精度, 线性蜜桃视频在线观看视频预压, 直线蜜桃视频在线观看视频箭头, 国产直线蜜桃视频在线观看视频, 直线蜜桃视频在线观看视频的设计原则, 直线蜜桃视频在线观看视频使用常见问题, 直线蜜桃视频在线观看视频的特点, 直线蜜桃视频在线观看视频润滑脂, 直线蜜桃视频在线观看视频的选型方法, 直线蜜桃视频在线观看视频的摩擦系数, PMI银泰直线蜜桃视频在线观看视频的几种安装方法, 直线蜜桃视频在线观看视频精度等级划分, 银泰直线蜜桃视频在线观看视频滑块图纸, 银泰直线蜜桃视频在线观看视频的选型设计, 直线蜜桃视频在线观看视频防尘处理, 银泰直线蜜桃视频在线观看视频综合样本下载

返回蜜桃APP污蜜桃视频在线观看视频滑块,线性蜜桃视频APP下载,微型蜜桃视频在线观看视频顶部按钮
<a id=" src="/resource/images/57d4fe89b5864f1192976261d97f9c82_4.png" title="">蜜桃APP污手机网站
<a id=" src="/resource/images/57d4fe89b5864f1192976261d97f9c82_2.jpg" title="">蜜桃APP污公众号
  • 索取蜜桃视频在线观看视频选型资料、获取丝杆报价电话

    137511362460755-21631136

  • 邮箱

    419865446@qq.com

  • 蜜桃视频在线观看视频工厂地址

    深圳市宝安区松岗松涛社区广深路122号蜜桃APP污传动科技园研创大楼三楼

深圳市蜜桃APP污机电有限公司 @ 版权所有 备案号:粤ICP备51868607号-1主营:直线蜜桃视频在线观看视频 滚珠丝杆 直线模组 微型蜜桃视频在线观看视频    
网站地图