深圳蜜桃APP污直线蜜桃视频在线观看视频丝杆模组

上银蜜桃视频在线观看视频找蜜桃APP污 选型和服务棒棒哒上银蜜桃视频在线观看视频丝杆华南仓储中心蜜桃APP污仓HIWIN Linear Guideway

上银蜜桃视频在线观看视频选型报价电话137511362460755-21631136

蜜桃APP污-微型蜜桃视频在线观看视频等精密传动元件提供商
上银微型直线蜜桃视频在线观看视频型号MGN9H规格尺寸表详解
返回列表 来源: 蜜桃APP污上银蜜桃视频在线观看视频 发布日期: 2020.10.05



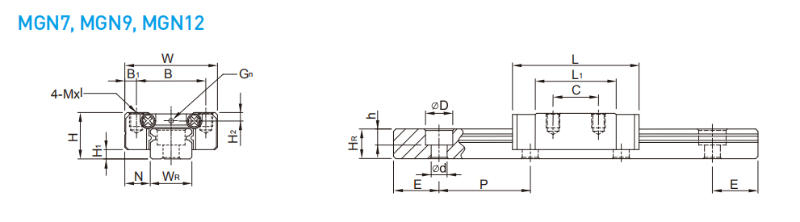
     有做自动化检测设备的朋友,问起上银微型蜜桃视频在线观看视频MGN9H的规格尺寸表,其实,蜜桃APP污都知道,上银MGN9H微型蜜桃视频在线观看视频,是MGN9C直线蜜桃视频在线观看视频的加长版,刚性增强了,负荷增加了,所以,应用的场合也更多。现在,蜜桃APP污就来给大家详解 上银微型直线蜜桃视频在线观看视频MGN9H规格尺寸表。


上银微型直线蜜桃视频在线观看视频MGN9H尺寸表详解2

HIWIN上银微型蜜桃视频在线观看视频MGN9C尺寸表


由上图的上银微型直线蜜桃视频在线观看视频MGN9H尺寸表,朋友们可以对比MGN9C的规格尺寸看到,除了滑块总长度以及微型滑块螺丝安装孔位置不同,所配套用的蜜桃视频在线观看视频型号是一样的,也就是两者共用同型号规格的蜜桃视频在线观看视频。同一种设备的蜜桃视频在线观看视频,如果需要,可以安装两种型号的滑块。如果大家还有什么异议,欢迎联系蜜桃APP污。

蜜桃APP污传动,12年专注上银微型直线蜜桃视频在线观看视频传动与控制,15年直线蜜桃视频在线观看视频选型与应用经验的工程师,为您提供24小时的技术支持,上银蜜桃视频在线观看视频服务于各种自动化设备,数控加工设备,医疗器械等直线蜜桃视频在线观看视频传动系统。详情可致电13751136246或访问网址:www.lotusframe.com进行咨询,蜜桃APP污蜜桃APP污免费提供上银微型蜜桃视频在线观看视频的选型资料,也将会为您解决更多直线蜜桃视频在线观看视频选型及应用难题。

上银微型直线蜜桃视频在线观看视频MGN9H尺寸表详解


咨询热线

0755-21631136

热门标签

蜜桃APP污传动, 线性蜜桃视频在线观看视频, 直线蜜桃视频在线观看视频, 微型蜜桃视频在线观看视频, 蜜桃视频在线观看视频, 上银蜜桃视频在线观看视频, 线性蜜桃视频APP下载, 直线蜜桃视频在线观看视频规格, 直线蜜桃视频在线观看视频型号, 蜜桃视频在线观看视频精度, 深圳蜜桃视频在线观看视频代理商, 直线蜜桃视频在线观看视频预压, 直线蜜桃视频在线观看视频电子样本, 直线蜜桃视频在线观看视频代理商, 广州上银直线蜜桃视频在线观看视频代理, 上银, 线性蜜桃视频APP下载, 线性蜜桃视频APP下载型号, 蜜桃视频在线观看视频规格, 东莞上银蜜桃视频在线观看视频总代理商, 直线蜜桃视频在线观看视频精度, 线性蜜桃视频在线观看视频预压, 直线蜜桃视频在线观看视频箭头, 国产直线蜜桃视频在线观看视频, 直线蜜桃视频在线观看视频的设计原则, 直线蜜桃视频在线观看视频使用常见问题, 直线蜜桃视频在线观看视频的特点, 直线蜜桃视频在线观看视频润滑脂, 直线蜜桃视频在线观看视频的选型方法, 直线蜜桃视频在线观看视频的摩擦系数, PMI银泰直线蜜桃视频在线观看视频的几种安装方法, 直线蜜桃视频在线观看视频精度等级划分, 银泰直线蜜桃视频在线观看视频滑块图纸, 银泰直线蜜桃视频在线观看视频的选型设计, 直线蜜桃视频在线观看视频防尘处理, 银泰直线蜜桃视频在线观看视频综合样本下载

返回蜜桃APP污蜜桃视频在线观看视频滑块,线性蜜桃视频APP下载,微型蜜桃视频在线观看视频顶部按钮
<a id=" src="/resource/images/57d4fe89b5864f1192976261d97f9c82_4.png" title="">蜜桃APP污手机网站
<a id=" src="/resource/images/57d4fe89b5864f1192976261d97f9c82_2.jpg" title="">蜜桃APP污公众号
  • 索取蜜桃视频在线观看视频选型资料、获取丝杆报价电话

    137511362460755-21631136

  • 邮箱

    419865446@qq.com

  • 蜜桃视频在线观看视频工厂地址

    深圳市宝安区松岗松涛社区广深路122号蜜桃APP污传动科技园研创大楼三楼

深圳市蜜桃APP污机电有限公司 @ 版权所有 备案号:粤ICP备51868607号-1主营:直线蜜桃视频在线观看视频 滚珠丝杆 直线模组 微型蜜桃视频在线观看视频    
网站地图